Zur Startseite   Zum Inhaltsverzeichnis    Zur vorhergehenden Seite     Zur nächsten Seite  


Tafel 1


Fig. 1

R 1447 H 7221 300 m E Lumpenmüllers-Berg
Basis des mittleren Teufelsdell-Porphyroids
ohne Analysator

Typische vitroklastische Strukturen mit einigen Quarzkörnern. Schieferung von oben rechts nach unten links

Bildbreite 2150 µm

vitroklastische Struktur


Fig. 2

R 1460 H 7252 SW-Ende des unteren Teufelsdell-Porphyroids, Top
gekreuzte Nicols

Zerbrochener und durch die Schieferung gedrehter Albiteinsprengling. Drehrichtung wird durch die im Druckschatten gesprossten Serizitschweife (weiß) an den Enden des Albits deutlich. Umgebung aus Salz-und-Pfeffer-Struktur und wenigen Quarzkörnern.

Bildbreite 3300 µm

zerbrochener Albit


Fig. 3

R 1429 H 7212 100 m SE Lumpenmüllers-Berg
Top des mittleren Teufelsdell-Porphyroids
gekreuzte Nicols

Blasenfüllung aus Plagioklas (radiale Kristalle am Rand) und Quarz (Mitte). Umgebung aus Salz-und-Pfeffer-Struktur und Quarzkörnern.

Bildbreite 3800 µm

Blasenfüllung aus Plagioklas und Quarz


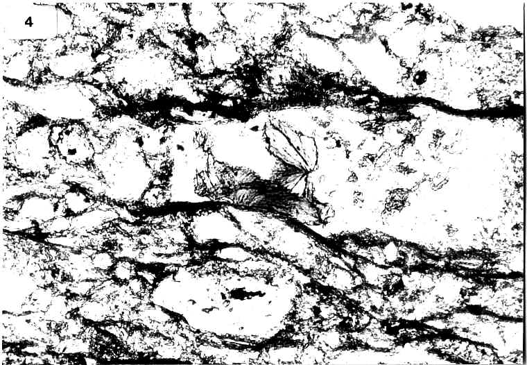
Fig. 4

R 1568 H 7345 Bachbett nahe Rabenlei
Basis des tiefsten Teufelsdell-Porphyroids
ohne Analysator

Gesprosste Chlorite (?), stark pleochroitisch (dkl.grün - hellgelbbraun), braune Interferenzfarben. Sehr ähnlich ist im selben Schliff ein unbekanntes Mineral, das deutlich höher doppelbrechend ist (delta n = 0,020). Umgebung aus vielen Quarzkörnern und ?Salz-und-Pfeffer-Struktur.

Bildbreite 650 µm

gesprosste Chlorite (?)


Zur Startseite   Zum Inhaltsverzeichnis    Zur vorhergehenden Seite     Zur nächsten Seite